随着城市天际线不断攀升,高层建筑早已成为城市发展的主流形态。但高楼林立的背后,也给暖通设计带来了新的挑战——尤其是供暖系统设计,受建筑高度、压力工况等因素影响,比多层建筑复杂得多。
今天就和大家聊聊高层建筑供暖系统设计的核心问题,以及目前国内主流的4种系统形式,帮大家理清设计思路~
先搞懂:高层建筑供暖设计的核心难点
高层建筑供暖设计的核心难点主要集中在两方面:
一是热负荷计算,需结合高层建筑的竖向空间特性、热损失规律等精准核算;
二是系统形式与外网连接。由于高层建筑供暖系统的水静压力大,连接室外热网时,必须结合散热器承压能力、外网压力状况来确定形式和连接方式;同时还要解决因楼层多导致的系统垂直失调问题。
针对这些难点,国内形成了多种成熟的高层建筑热水供暖系统形式,下面逐一拆解~
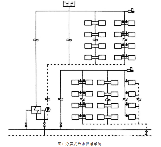
一、分层式供暖系统:上下分区,隔绝压力
所谓分层式供暖系统,就是在垂直方向将建筑分成两个或多个独立供暖系统。这是解决高层压力问题的基础方案。
其核心设计逻辑是:
下层系统直接与室外热网连接,它的高度限制主要取决于外网压力工况和散热器的承压能力,不能超出安全承压范围;
上层系统则采用隔绝式连接(如图1),通过水加热器将上层系统的压力与室外热网完全隔绝,避免高压损坏设备。这种上层隔绝、下层直连的方式,也是目前应用最广泛的分层设计形式。

二、单、双管混合式系统:兼顾调节性与稳定性
如果把散热器沿垂直方向分成若干组,每组内部用双管形式,组与组之间用单管连接,就组成了单、双管混合式系统(如图2)。

这种系统堪称“取长补短”的典范,优势很突出:
1. 避免了双管系统楼层过多时的严重竖向失调问题;
2. 解决了单管系统散热器支管管径过粗的弊端;
3. 散热器可进行局部调节,满足不同房间的温度需求。
如果是建筑面积大的单栋高层建筑,或是成片的高层小区,更适合采用专用分区供暖方案。
设计思路是将建筑竖向按高度分区,分成两个或多个采暖分区,每个分区由独立的采暖系统和设备供给,各分区的供暖参数可保持一致。
分区高度的确定有三个关键因素:散热器的承压能力、系统管材附件的材质性能、系统的水力工况特性。分区后,前面提到的常规采暖系统、分户采暖系统等结构形式都可以灵活采用。
在多层建筑小区里突然新增高层建筑,是暖通工程师最头疼的场景之一。传统解决方案要么投资高,要么供暖效果差:
1. 单独设置热源:高低区热媒参数一致,但投资和后期运行管理费用高;
2. 设热交换器隔绝低区:低区热媒参数低,换热后高区散热器表面温度更低,需要大量散热器,难以布置,且实际运行参数可能更低,供暖质量无法保证;
3. 双水箱法:需占用建筑空间,增加建筑荷载,还会浪费热量、腐蚀管道;
4. 阀门调节法:仅能改变动压,对静压无效,易导致散热器爆裂。
而直连(静压隔断)式供暖系统,就很好地解决了这个问题,也是目前工程上应用较多的有效方案,其原理如图3所示。

(a)同程顺流式 ;(b)同程倒流式
1—上端静压隔断器;2—导流管;3—恒压管;4—下端静压隔断器
核心工作原理
无论哪种形式的直连系统,热媒都要经历“低区管网供水经泵加压送至高区→散热器散热→回水减压回到低区管网”的过程,核心是将系统热媒静压力消耗到合理范围,关键在“减压”。
具体控制逻辑:
1. 高区与低区采暖系统必须分开,重点控制回水流回低区管网的过程;
2. 上端静压隔断器除了隔绝、排气,还能让热媒切向流入,利用大直径缓冲减压,使流体离心旋转;
3. 导流管内流体呈非满管流,依靠重力旋转流动,将静压转化为动压,动能在旋转中被消耗;
4. 下端静压隔断器阻断静压向下传递,恒压管保证上下端隔断器上端压力一致;
5. 减压后的热媒依靠重力流入回水管道,再加上供水泵后的止回阀,无论系统是否运行,高低区都能相互隔绝,安全稳定。
值得一提的是,这种系统也适用于分户采暖系统,且多栋高层建筑可共用一套供水系统(如图4所示),进一步降低投资成本。
